
விரிவான தயாரிப்பு விளக்கம்
| நன்மை: | அதிவேகம் | லேபிளிங் வேகம்: | 60-200 பிசிக்கள் / நிமிடம் |
|---|---|---|---|
| செயல்பாடு: | அஹெசிவ் ஸ்டிக்கர் லேபிளிங் | பொருள்: | எஃகு |
| பாட்டில் வகை: | தானியங்கி சுற்று பாட்டில் லேபிளர் ஜாடி | விண்ணப்பம்: | அனைத்து வகையான சுற்று கொள்கலனுக்கும் |
| பி.எல்.சி பிராண்ட்: | மிட்சுபிஷி ஜப்பான் | சர்வோ லேபிளிங் மோட்டார்: | டெல்டா ai தைவான் |
சிவப்பு ஒயின் லேபிளிங் இயந்திரம் கண்ணாடி ஒயின் பாட்டில் லேபிளிங் இயந்திரம், பி.எல்.சி கட்டுப்பாட்டு அமைப்பு மிட்சுபிஷி பிராண்ட் லேபிளிங் இயந்திரம்
அம்சங்கள்:
1. செயல்பாடு: பி.எல்.சி கட்டுப்பாட்டு அமைப்பு லேபிளிங் இயந்திரத்தை இயக்க எளிதாக்குகிறது
2. பொருள்: லேபிளிங் இயந்திரத்தின் பிரதான உடல் SUS304 எஃகு மூலம் ஆனது
3. உள்ளமைவு: எங்கள் லேபிளிங் இயந்திரங்கள் நன்கு அறியப்பட்ட ஜப்பானிய, ஜெர்மன், அமெரிக்கன், கொரிய அல்லது தைவான் பிராண்ட் பகுதிகளை ஏற்றுக்கொள்கின்றன
4. வளைந்து கொடுக்கும் தன்மை: அச்சுப்பொறி மற்றும் குறியீடு இயந்திரத்தைச் சேர்க்க வாடிக்கையாளர் தேர்வு செய்யலாம்; கன்வேரியருடன் இணைக்க தேர்வு செய்யலாம் அல்லது இல்லை.
தொழில்நுட்ப அளவுருக்கள்:
| பெயர் | அதிவேக ஸ்லீவிற்கான தானியங்கி சுற்று ஒயின் பாட்டில் சுருங்கும் சுற்று பாட்டில் லேபிளிங் இயந்திரம் |
| லேபிளிங் வேகம் | 60-350 பிசிக்கள் / நிமிடம் |
| பொருளின் உயரம் | 30-350 மி.மீ. |
| பொருளின் தடிமன் | 20-120 மி.மீ. |
| லேபிளின் உயரம் | 5-180 மி.மீ. |
| லேபிளின் நீளம் | 25-300 மி.மீ. |
| விட்டம் உள்ளே லேபிள் ரோலர் | 76 மி.மீ. |
| லேபிள் ரோலர் விட்டம் வெளியே | 420 மி.மீ. |
| லேபிளிங்கின் துல்லியம் | ± 1 மி.மீ. |
| மின்சாரம் | 220V 50 / 60HZ 3.5KW |
| அச்சுப்பொறியின் எரிவாயு நுகர்வு | 5Kg / m2 (குறியீட்டு இயந்திரத்தைச் சேர்த்தால்) |
| லேபிளிங் இயந்திரத்தின் அளவு | 2800 (எல்) × 1650 (டபிள்யூ) × 1500 (எச்) மி.மீ. |
| லேபிளிங் இயந்திரத்தின் எடை | 180 கிலோ |
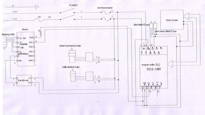
உள்ளமைவு
| இல்லை. | பகுதி | பிராண்ட் | அளவு |
| 1 | பி.எல்.சி. | மிட்சுபிஷி (ஜப்பான்) | 1 |
| 2 | பிரதான மாற்றி | டான்ஃபோஸ் (டென்மார்க்) | 1 |
| 4 | எச்.எம்.ஐ. | WEINVIEW (தைவான்) | 1 |
| 5 | சர்வோ லேபிளிங் மோட்டார் | டெல்டா (தைவான்) | 1 |
| 6 | சர்வோ லேபிளிங் மோட்டார் டிரைவர் | டெல்டா (தைவான்) | 1 |
| 7 | கன்வேயர் மோட்டார் | HY (தைவான்) | 1 |
| 8 | கன்வேயர் மோட்டார் கியர்பாக்ஸ் | HY (தைவான்) | 1 |
| 9 | பாட்டில் மோட்டார் பிரித்தல் | ஜிபிஜி (தைவான்) | 1 |
| 10 | பாட்டில் மோட்டார் கியர்பாக்ஸைப் பிரித்தல் | ஜிபிஜி (தைவான்) | 1 |
| 11 | மோட்டார் வேக ஆளுநரைப் பிரிக்கும் பாட்டில் | ஜிபிஜி (தைவான்) | 1 |
| 12 | ஸ்போக் மோட்டார் | ஜிபிஜி (தைவான்) | 1 |
| 13 | மோட்டார் கியர்பாக்ஸ் பேசினார் | ஜிபிஜி (தைவான்) | 1 |
| 14 | பொருள் மந்திரக் கண்ணைக் கண்டறியும் | ஓம்ரான் (ஜப்பான்) | 1 |
| 15 | ஆப்டிகல் ஃபைபர் | ஓம்ரான் (ஜப்பான்) | 1 |
இயந்திர விவரம்:

32 முக்கிய லேபிளிங் இயந்திர பாகங்கள்

சுற்று வரைபடம்

அடிக்கடி கேட்கப்படும் கேள்விகள்:
1.label குமிழ்கள் பெறுகிறது
காரணங்கள்:
Board தலாம் ஆஃப் போர்டு நல்லதல்ல / தட்டையானது அல்ல;
Low கலப்பை பலகை நல்லதல்ல / தட்டையானது அல்ல;
Output லேபிளிங் வெளியீடு மிக வேகமாக உள்ளது அல்லது சட்டசபை வரியின் வேகம் மிகக் குறைவு;
Label லேபிள் மிகவும் தளர்த்தப்படுகிறது
தீர்வுகள்:
Board ஒரு தட்டையான தலாம் ஆஃப் போர்டை மாற்றவும்;
A ஒரு தட்டையான கலப்பை பலகையை மாற்றவும்;
The லேபிளிங் வெளியீட்டு வேகத்தை மெதுவாக்குங்கள் அல்லது சட்டசபை வரியின் வேகத்தை அதிகரிக்கும்;
The லேபிள் பெல்ட்டை சரியாக பாதிக்கலாம்.
குறிச்சொல்: தொழில்துறை லேபிளிங் இயந்திரம், கண்ணாடி பாட்டில் லேபிளிங் இயந்திரம்









